
結 構
板式換熱器是由一組波紋金屬板組成,板上有孔,供傳熱的兩種液體通過。金屬板片安裝在一個有固定壓緊板和活動壓緊板的框架內,并用夾緊螺栓夾緊。板片上裝有密封墊片,將流體通道密封,并且引導流體交替地流至各自的通道內。流體的流量、物理性質、壓力降和溫度差決定了板片的數目和尺寸。波紋板不但大大提高了湍流程度,并且形成了許多支撐點,足以承受介質間的壓力差
熱效率
若干金屬傳熱板,其周邊和流通孔周圍用彈性體制成的墊片密封住,將它們夾在一起,即可組成一臺板式換熱器。板上壓有許多流道,使用兩種流體均形成湍流,墊片除了起密封作用之外,還引導工作流體一個隔一個板地進出。兩種流體一般做逆流流動。
性能持久
用高純水作為一次冷卻劑,可防止磨蝕、腐蝕和結垢。磨蝕、腐蝕和結垢后縮短價格昂貴的電氣設備的壽命。至于二次冷卻劑可以是海水、湖泊水、江河水、循環冷卻水、甚至液體化工物料。本公司備有各種金屬的換熱板,以適用不同的用途。
維修簡單
可在現場拆卸組裝。
AERO板式換熱器具有的技術優勢
先進的制板技術
AERO的所有板片都是用極度精密磨具一次沖壓成形,只有一次成形的板片才能具有相同的精度,所以板與板之間有均勻的金屬點接觸,保證板式換熱器能在較高的壓力下正常運行,并能承受系統的壓力沖擊、振動及疲勞等等。
先進板型設計
AERO的板片有熱工短板(軟板,人字型波紋小角度)以及熱工長板(硬板,人字型波紋大角度)兩種。長板能產生更強烈的湍流,因而其傳熱系數比短板高,但是短板的壓力降較低。將兩者結合使用,在壓力降有要求時,能得到佳傳熱效果,滿足您的生產要求。
先進的分流區域
AERO獨特的分流區域設計,即使對一個寬的板片,也能保證均勻分布。另一個特點是壓力降較低,可以使更多的壓力降用于傳熱,從而獲得高的傳熱系數。
先進的流程組合
通過改變流動方式,或增加流道數量,可以達到無數種組合,從兩種流體單程逆流方式到三種或三種以上流體的多流程流動方式均可做到。
先進密封系統
AERO的免粘接墊片設計為雙重密封,防止兩種流體相混合,生產不正常時(例如:壓力沖擊)發生泄漏,流體進入雙重密封形成的死區內,然后從導流槽排出板外。這種設計使泄漏易于發現,并且能找出泄漏地點。
先進的定位系統
上導桿的定位可以防止板片上下移動,下導桿的定位可以防止板片左右移動。先進的定位系統使板片組可以在導桿上沒有阻力的前后移動。
高精度的角與角定位防止板片移動,可以使墊片密封準確,墊片壽命耐久。
先進的框架技術
AERO用雙頭螺栓連接接管,固定板內孔道用跟墊片材質完全相同的襯環,有效地防止接管腐蝕。
上導桿滾輪裝置
裝在壓緊板上的滾輪,有利于板式換熱器打開更輕便,操作時對上導桿沒有磨損。
涂漆系統
AERO采用了多層環氧漆噴涂,確保框架長久耐用;設備出廠噴涂酞青中藍面漆;另外,產品漆的顏色也可以根據您的需求專門訂制,這樣可以保持設備間的色彩一致性。

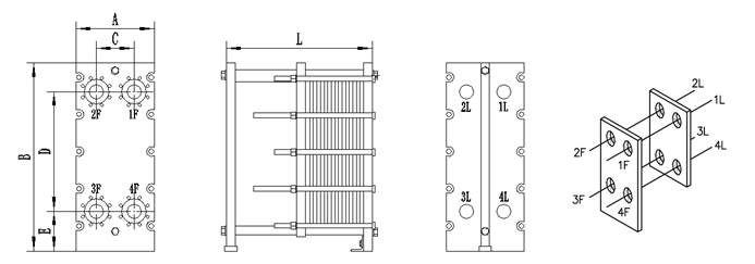
AERO板式換熱器PHE 規格尺寸

| 型號 | AE10 | AE20 | EM25 | AE25 | AE55 | AE30 | AE50 | AE60 | AF30 | AF50 | AF60 |
| A(mm) | 346 | 353 | 406 | 480 | 460 | 605 | 605 | 615 | 615 | 615 | 615 |
| B(mm) | 950 | 1115 | 1180 | 1109 | 1794 | 1205 | 1522 | 1902 | 1175 | 1505 | 1847 |
| C(mm) | 140 | 150 | 203 | 223 | 223 | 285 | 285 | 285 | 300 | 300 | 300 |
| D(mm) | 656 | 800 | 860 | 719 | 1338 | 700 | 1020 | 1340 | 648 | 936 | 1224 |
| E(mm) | 160 | 170 | 188 | 215 | 231 | 300 | 300 | 300 | 300 | 300 | 300 |
| L(mm) | 1085 | 1085 | 1250 | 1600 | 1800 | 2222 | 2222 | 2522 | 2217 | 2217 | 2517 |
| 接口 | 50 | 65 | 65 | 100 | 100 | 150 | 150 | 150 | 100/150 | 100/150 | 100/150 |
| 型號 | AE65 | AE85 | EM51 | EM62 | AE90 | AE120 | AE230 | EM30 |
| A(mm) | 725 | 725 | 870 | 927 | 875 | 875 | 1174 | 1174 |
| B(mm) | 1774 | 2110 | 1625 | 1815 | 1765 | 2065 | 2689 | 2844 |
| C(mm) | 340 | 340 | 427 | 439 | 425 | 425 | 596 | 596 |
| D(mm) | 1184 | 1520 | 932 | 1013 | 1125 | 1425 | 1842 | 1842 |
| E(mm) | 300 | 300 | 355 | 400 | 320 | 320 | 470 | 470 |
| L(mm) | 2612 | 2612 | 2612 | 2612 | 2612 | 2612 | 2764 | 3064 |
| 接口 | 200 | 200 | 200/250 | 250 | 250 | 250 | 300 | 300 |
| 板片材質 | 厚度范圍(mm) | 適合流體 |
| 304 不銹鋼 | 0.5-0.8 | 凈水、河川水、食用油、礦物油 |
| 316L不銹鋼 | ||
| 254SMO不銹鋼 | 0.6 | 稀硫酸、稀疏鹽化物水溶液、無機水溶液 |
| Ti鈦 | 海水、鹽水、鹽化物 | |
| Ni鎳 | 0.6 | 高溫、高濃度苛性鈉 |
| Hasteloy C-276哈氏合金 | 0.6-0.7 | 濃硫酸、鹽酸、磷酸 |
| 墊片材質 | 溫度范圍(℃) | 適用流體 |
| NBR 丁腈橡膠 | Min.(-15)/max.110 | 水、海水、礦物油、鹽水 |
| NBR 氫化丁腈橡膠 | Min.(-30)/max.150 | 高溫礦物、高溫水 |
| EPDM三元乙丙橡膠 | Min.(-25)/max.150 | 熱水、水蒸氣、酸、堿 |
| VITON氟橡膠 | Min.(-25)/max.250 | 酸、堿、流體、高溫油 |
